Une erreur est survenue
L'année sélectionnée () n'existe pas pour le modèle affiché, les compatibilités pour la plage d'années valide sont affichées à la place
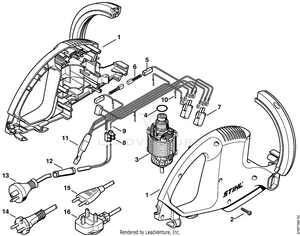
Pièces et accessoires pour STIHL HSE41
Une erreur est survenue
L'année sélectionnée () n'existe pas pour le modèle affiché, les compatibilités pour la plage d'années valide sont affichées à la place
Pièces et accessoires pour STIHL HSE41